欢迎访问浙江宇诺电气科技有限公司
在线咨询
服务热线
15057778216
首页
公司介绍
在线商城
公司新闻
荣誉资质
联系方式
联系方式
友情链接
HOT
热门搜索:
在线商城
公司新闻
荣誉资质
友情链接
在线商城
CATEGORY
公司简介
荣誉资质
服务热线
15057778216
免费寄样行程开关Z-15HW22限水位开关CZ-3108带线型
所在地区
浙江 金华市
最后更新
2026-02-04
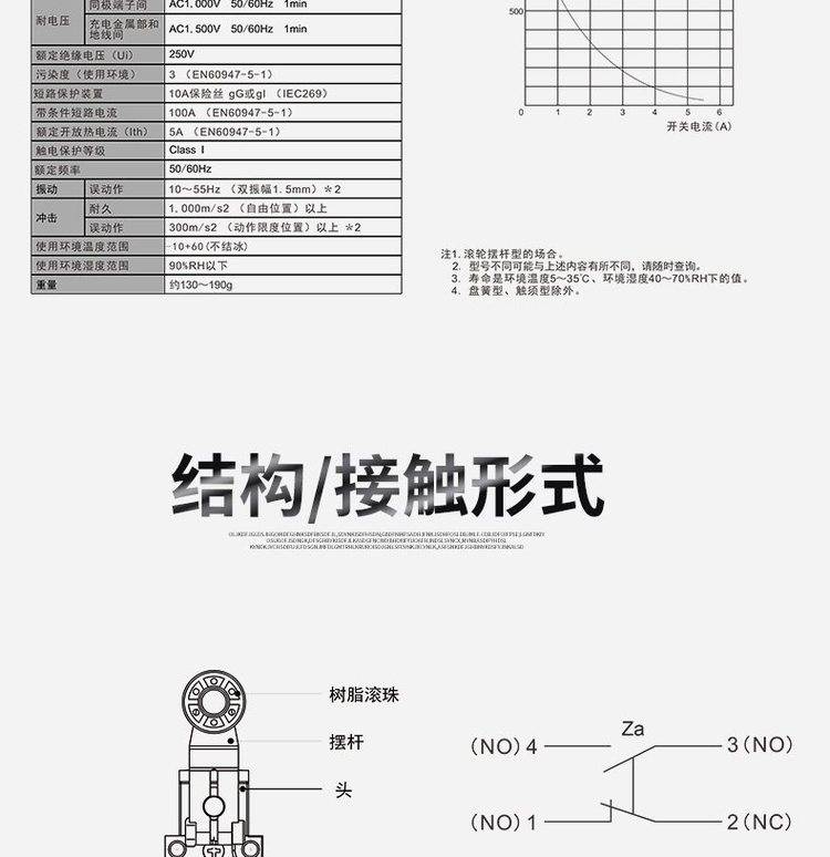
详细信息
相关推荐
免费寄样行程开关Z-15HW22限水位开关CZ-3108带线型
15057778216